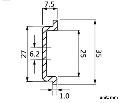
Description
This DIN Rail Mount Bracket provides quick and easy mounting for Arduino, which allows you to conveniently build up your Arduino-related projects.
Made of high-quality PVC material, it is durable and fireproof, and well suitable for the boards like Mega2560 and Mega1280.








